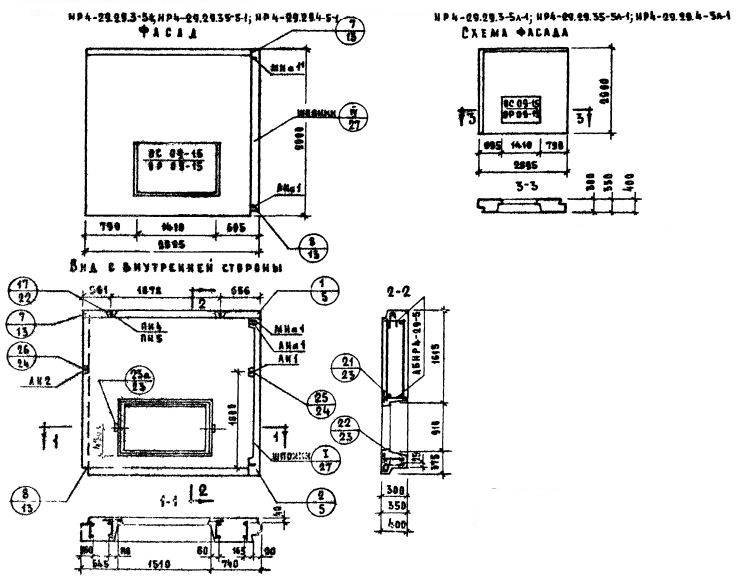
НР4-29.29.4-5л-1

Чертеж изделия:
Чертеж НР4-29.29.4-5л-1
Характеристики изделия:
ПараметрЗначение
Длина2895 мм
Ширина400 мм
Высота2900 мм
Масса3870 кг
Нормативный документСерия 1.132-1

НР4-29.29.4-5л-1   Наружная стеновая панель рядовая по Серии 1.132-1.